Specification
| Sullply voltage | 100 to 240 VAC, 50/60 Hz |
| Operating voltage range | 85 to 110% of rated supply voltage |
| Power consumption | 9VA |
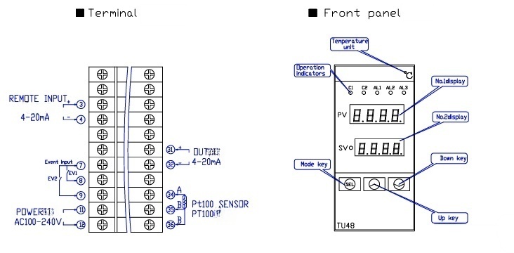
| Sensor input | Platinum resistance:Pt100, JPt100 |
| Control output | DC4-20mA load 600Ωmax |
| Alarm output | SPST-NO, 240VAC, 3A (resistive load) |
| Remote input | 4-20mA DC input (used in conjunction with 250Ω) 4mA corresponds to a set temperature SV = 65℃ 20mA corresponds to a set temperature SV = 95℃ |
| Control method | 2-PID or ON/OFF control |
| Ambient temperature | -10 to 55℃ (with no condensation or icing) |
| Protective structure | Front panel:NEMA4X for indoor use(equal to IP66) |
Dimensional Drawing


Displays
| (1) | PV Display | Indicates the PV (process variable) or setting characters in setting mode. |
| (2) | SV Display | Indicates the SV (desired value) or set data in setting mode. In Monitor mode, indicates MV (manipulated variable), remaining time (Program control). step number (Program control) (°) or Set value memory number (Fixed value control) (*) ()For BCS2 only |
| (3) | MEMO/STEP Display | Indicates Set value memory number or step number(Program control).(For BCR2,BCD2) |
| (4) | O1 | Lit when control output OUT1 is ON.For direct current output type. flashes corresponding to the MV in 125ms cycles. |
| O2 | Lit when control output OUT2 (EV2, DS, DA or EV2+D option) is ON. For direct current output type. flashes corresponding to the MV in 25 ms cycles. |
|
| EV1 | Lit when Event output 1 is ON | |
| EV2 | Lit when Event output 2(EV2 or EV2+D option)is ON. | |
| AT | Flashes while AT or Auto-reset is performing. | |
| R/L | Lit while in Remote action (EIT option) | |
| T/R | Lit during Serial communication(C5W or C5 option)TX(transmiting)output. | |
| MEMO | Lit when Set value memory number is indicated.(For BCR2. BCD2) | |
| STEP | Lit when Step number(Program control) is indicated.(For BCR2. BCD2) |
| (5) | UP key | Increases the numeric value. lf this key is pressed for 1 sec during Program control , the unit proceeds to the next step.(Advance function) |
| (6) | DOWN key | Decreases the numeric value. |
| (7) | MODE key | Selects a setting mode .and registers the set data. If the MODE key is pressed in RUN mode for 3 sec, the unit moves to Monitor mode. |
| (8) | OUT/OFF key | By pressing this key for 1 sec,one of the following items selected in [OuT/OFF key function] is indicated:
|
